·Ç·²¹ú¼Ê

²úƷͼƬ²úÆ·¼ò½éÒªº¦ÌØÕ÷ÐÔÄܲÎÊý»úе³ß´ç¶©¹ºÐÅÏ¢×ÊÁÏÏÂÔØ
·¢ËÍѯÅÌ
KYAC311
»ù´¡ÐÍÖÇÄÜ¿ØÖÆÆ÷
²úÆ·¼ò½é

KYAC311ϵÁлúÉí½ÓÄɸ߾«ÂÁºÏ½ðÐͲÄ£¬¹Ø±ÕʽÎÞµçÉÈÉè¼Æ£¬ÐÎ×´½ô´ÕÑŹÛ£¬ÓÐÓñÜÃâ»Ò²ã½øÈ룬°ü¹Ü²úÆ·ÔÚÑÏ¿Á¹¤Òµ³¡¾°Ó¦ÓõĿɿ¿ÐÔºÍʹÓÃÊÙÃü¡£

Òªº¦ÌØÕ÷
¡õ ÐÔÄÜǿʢ£¬´îÔØ Intel x86 4 ºË´¦Öóͷ£Æ÷£¬×î´óÖ§³Ö1ms ÖÜÆÚ 32Öáͬ²½ÔËÐÐ
¡õ lBIOSÄں˼°ÏµÍ³ÓÅ»¯£¬Öª×ãʵʱ¿ØÖÆÐèÇó
¡õ EtherCAT ×î´óÖ§³Ö 32 ´ÓÕ¾
¡õ ϵͳʹÃü²ü¶¶35usÄÚ
¡õ ÇÐºÏ IEC61131-3 ±ê×¼¡¢PLCopen ¹æ·¶
¡õ Ö§³Ö EtherCAT¡¢EtherNet/IP¡¢OPC UA¡¢ModbusTCP µÈÖ÷Á÷¹¤ÒµÐ­Òé
¡õ ¼¯³ÉÁ½Â·´®¿Ú£¬¿ª¹ØÎÞаÇл»RS232/RS485
¡õ Ë«µçÔ´¿ÚÈßÓàÉè¼Æ£¬°ü¹Ü¹©µçÎȹÌ
¡õ Ö§³Ö-20 ~ 60¡æ¿íÎÂÊÂÇéÇéÐÎ
ÐÔÄܲÎÊý
ÉèÖÃ KYAC311-E3MA
Ó²¼þÉèÖÃ
CPU Intel? Celeron J1900, 2.0GHz, 4 ºË/4 Ïß³Ì, 2MB L2 »º´æ
TDP 10W
BIOS AMI UEFI 64Mbit
ÄÚ´æ 8GB DDR4
´æ´¢ 128GB SSD mSATA
USB 1 x USB3.0, 3 x USB2.0
°åÔØÄÚÖÃ1¸öUSB2.0 ¿É×°ÖÃÓ²¼þ¼ÓÃܹ·
COM 2 x COM (DB9 ¹«Í·) ¿Éͨ¹ý²¦¶¯¿ª¹ØÉèÖà RS232 »òRS485 ģʽ£¬RS485 Ö§³Ö×Ô¶¯Á÷¿Ø, RS232 ´øÓÐESD ·À»¤( ¿ÕÆø·Åµç£º¡À8KV, ½Ó´¥·Åµç£º¡À6KV)
ÒÔÌ«Íø 2 x Intel I210ǧÕ×Íø¿Ú
DVI-D ×î¸ßÇø·ÖÂÊ 1920 x 1080
À©Õ¹½Ó¿Ú 1 x È«³ß´çminiPCIe¿¨²Û£¬´øÓÐSIM¿¨²Û
¿´ÃŹ· 1~255¼¶¿É±à³ÌÉèÖÃ
Èí¼þÉèÖÃ
ʵʱÇéÐÎ Codesys RTE 3.5.18
²Ù×÷ϵͳ Windows 10
µçÔ´
ÊäÈëµçѹ DC12~24V ¡À10%, ¹ýÁ÷¡¢¹ýѹÒÔ¼°·À·´½Ó±£»¤
µçÔ´¹¦ºÄ ×î´ó¹¦ºÄ 45W
»úе²ÎÊý
½á¹¹ îÓ½ð½á¹¹£¬ÎÞµçÉÈ£¬Ö§³Ö±Ú¹ÒʽװÖûòDIN-Railµ¼¹ì×°ÖÃ
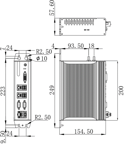
³ß´ç 57.6mm x 200mm x 154.5mm (W x H x D)
¾»ÖØ 1.6Kg
ÇéÐÎ
ÊÂÇéÎÂ¶È -20?C ~ 60?C
´æ´¢ÎÂ¶È -40?C ~ 80?C
Ïà¶Ôʪ¶È 5~95% ÎÞÄý¶
Õñ¶¯ 5~500Hz, 1.5Grms£¬IEC60068-2-64
¹¥»÷ 20G( Ò»Á¬Ê±¼ä11ms£¬°ëÕýÏÒ²¨)£¬IEC60068-2-27
EMC CE/FCC Class A
»úе³ß´ç

·Ç·²¹ú¼Ê(ÖйúÇø)-¹Ù·½ÍøÕ¾

¶©¹ºÐÅÏ¢

¡ñ SM(Softmotion) ¸Ã°æ±¾ÌṩSMC_Basic¿â£¬ÇкÏPLCopenlÈÏÖ¤±ê×¼Part 1¼°Part 2²¿·Ö£¬¿ÉÒÔ¿ØÖƵ¥Öá»òÕßÁ½¸öÖᣨµç×Ó͹ÂֺͳÝÂÖ£©µÄÖ÷´ÓÔ˶¯¡£

¡ñ CN(CNC+Robotic) ¸Ã°æ±¾ÔÚSMC_Basic¿â»ù´¡ÉÏÔöÌíÁËSMC_CNC¼°SMC_Robotic£¬Ö§³ÖÁËCNCÓ¦Óü°»úеÈËÓ¦Ó᣿ÉʵÏÖCNCÊý¿Ø¿ª·¢¼°»úеÈËÖá×鿪·¢¡£

¡ñ TW(Target & Web Visu) ¸Ã°æ±¾°üÀ¨Á˼¯³É»¯µÄ¿ÉÊÓ»¯±à¼­Æ÷£¬¿ÉÒÔÔÚ¿ª·¢ÇéÐÎÖÐÖ±½Ó½¨ÉèרҵµÄ¿ÉÊÓ»¯½çÃæ¡£ÆäÖÐTargetVisu·½·¨Ö±½ÓÏÔʾÔÚ¿ØÖÆÆ÷µÄÄÚÖûòÍâÖÃÏÔʾÆ÷ÉÏ£»WebVisu·½·¨Ö§³ÖÔÚWebä¯ÀÀÆ÷ÖÐä¯ÀÀ½çÃæ¡£

SM°æ±¾ÓëCN°æ±¾¹¦Ð§²î±ð±í
SM£¨Softmotion£© CN£¨CNC+Robotic£©
µãλÔ˶¯ λÖýÏÁ¿´¥·¢ Á½ÖáÍÖÔ²²å²¹ ÈýÖáÍÖÔ²²å²¹ ·¾¶Ô¤´¦Öóͷ£¹¦Ð§ Á½Öá´®Áª(SCARA)»úеÈËÄ£×Ó
JOGÔ˶¯ λÖò¶»ñ Á½ÖáÑùÌõÇúÏß ÈýÖáÑùÌõÇúÏß ÎåÖá¼Ó¹¤Ä£×Ó ÈýÖá´®Áª(SCARA)»úеÈËÄ£×Ó
ËÙÂÊÔ˶¯ »ØÁãÔ˶¯ Á½ÖáÅ×ÎïÏßÔ˶¯ ÈýÖáÅ×ÎïÏßÔ˶¯ Á½ÖáÁúÃŹ¦Ð§ ²¢Áª(DELTA)»úеÈËÄ£×Ó
µç×Ó³ÝÂÖ ¼ä϶²¶»ñ Á½ÖáÖ±Ï߲岹 ÈýÖáÂÝÐýÏ߲岹 ÈýÖáÁúÃÅ ËÄÖáÂë¶â»úеÈËÄ£×Ó
µç×Ó͹ÂÖ   Á½ÖáÔ²»¡²å²¹ DXFתG´úÂ빦Ч TÐÍÁúÃÅ ÁùÖáÊàŦ»úеÈËÄ£×Ó
Ò»Á¬¹ì¼£Ô˶¯   ÈýÖáÖ±Ï߲岹 G´úÂë/M´úÂ빦Ч HÐÍÁúÃÅ  
ÇÐÏò×·Ëæ   ÈýÖáÔ²»¡²å²¹ ×ø±êϵת»» ¼«×ø±êϵģ×Ó  

 

Ñ¡Ðͱí
²úÆ·ÐͺŠÏêÇé
KYAC311-E3MAW0SM J1900/8G/128G SSD/WIN10/Softmotion
KYAC311-E3MAW0SMTW J1900/8G/128G SSD/WIN10/Softmotion/Target & Web Visu
KYAC311-E3MAW0CN J1900/8G/128G SSD/WIN10/CNC

 

×ÊÁÏÏÂÔØ
ÍøÕ¾µØÍ¼